Запасные части ЧТЗ Запасные части ЧТЗ
Воронеж
Например:
Актобе
Алдан
или
Выбрать автоматически
Актобе
Алдан
Алматы
Алчевск
Архангельск
Астана
Астрахань
Атырау
Баку
Балашиха
Барнаул
Белгород
Бердянск
Бишкек
Владивосток
Владикавказ
Воркута
Воронеж
Горловка
Грозный
Донецк
Екатеринбург
Иваново
Ижевск
Иркутск
Казань
Калининград
Каменск-Уральский
Караганда
Каховка
Кемерово
Киров
Комсомольск-на-Амуре
Костанай
Краснодар
Красноярск
Красный луч
Ленск
Луганск
Магадан
Магнитогорск
Макеевка
Махачкала
Мелитополь
Минск
Мирный (Якутия)
Москва
Мурманск
Нерюнгри
Нижневартовск
Нижний Новгород
Нижний Тагил
Новая каховка
Новокузнецк
Новосибирск
Новый Уренгой
Норильск
Ноябрьск
Нур-Султан
Омск
Оренбург
Ош
Павлодар
Пермь
Петрозаводск
Петропавловск
Петропавловск-Камчатский
Псков
Ростов-на-Дону
Салехард
Самара
Санкт-Петербург
Саратов
Севастополь
Семей
Симферополь
Сочи
Ставрополь
Сургут
Сыктывкар
Тараз
Ташкент
Токмак
Томск
Тында
Тюмень
Ульяновск
Усинск
Усть-Каменогорск
Уфа
Хабаровск
Ханты-Мансийск
Херсон
Челябинск
Чита
Шымкент
Экибастуз
Энергодар
Южно-Сахалинск
Якутск
Ваш город
Воронеж
Войти
Запасные части к тракторам на одном сайте
+7 (932) 303-00-10
+7 (932) 303-00-10
г. Воронеж, ул. Торпедо, д. 45В
Пн-Пт: 9:30-18:30 Cб-Вс: Выходной
Отправить заявку


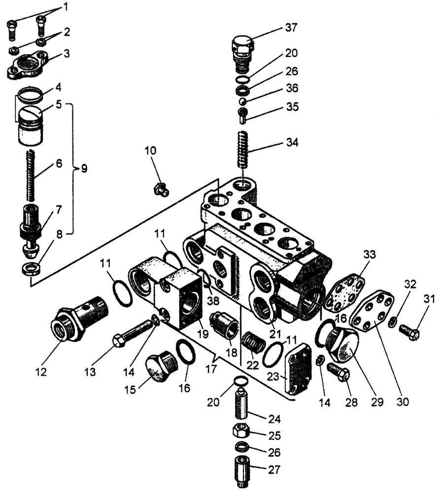
Корпус гидрораспределителя на Т10М / Б10М


/
с НДС 20%
Описание
Корпус гидрораспределителя на Т10М
# Номер запчасти Наименование детали Кол-во в сборке
- 50-26-61СП
50-26-731СП
Гидрораспределитель
Корпус
1
1 - БолтМ10-6g×25.58.019 2
2 - Шайба 10 ОТ 65Г 09 2
3 50-26-761 Фланец 1
4 - Кольцо 027-032-30-2-5 1
5 50-26-769 Направляющая клапана 1
6 700-38-2930 Пружина 1
7 50-26-767 Клапан перепускной 1
8 50-26-768 Седло клапана 1
9 50-26-732СП Клапан перепускной 1
10 375 Пробка 2
11 - Кольцо 039-045-36-2-5 3
12 700-41-3632 Штуцер 1
13 700-28-2561 Болт 2
14 - Шайба 12 ОТ 65Г 09 6
15 700-46-2262 Пробка 1
16 46764 Кольцо 5
17 50-26-733СП Клапан обратный 1
18 50-26-771 Клапан обратный 1
19 50-26-770 Корпус клапана 1
20 - Кольцо 022-028-36-2-5 1
21 50-26-766 Корпус 1
22 700-38-2886 Пружина 1
23 50-26-772 Крышка 1
24 700-35-2172 Винт 1
25 700-30-2371 Гайка 1
26 - Кольцо 018-022-25-2-5 3
27 50-26-763 Колпачок 1
28 - Болт M12-6g×30.88.35.019 4
29 700-37-2268 Пробка 1
30 50-26-756 Крышка 1
31 - Болт M8-6g×16.58.019 14
32 - Шайба 8Т 65Г 09 12
33 700-40-8294 Прокладка 1
34 700-38-2873 Пружина 1
35 50-26-759 Направляющая клапана 1
36 - Шарик Б 9,525-200 1
37 50-26-760 Седло клапана 1
38 700-40-2135 Кольцо 1
Корпус гидрораспределителя